|
OB-2 可靠的调节器 * 装有调节手柄,便于设置 * 双阀结构,容量大
|
 |
|
特点 |
双阀结构 / 用于供热 / 法兰盘型 |
|
类别 |
温度调节器 |
|
类型 |
Internal pressurized bellows type |
|
仕様 |
适用流体 |
蒸汽、热水 |
|
最高压力 |
0.2 - 0.7MPa |
|
最高温度 |
180degree(C) |
|
连接方式 |
JIS 10K FF |
|
感热筒最高压力 |
1.0 MPa |
|
设定点的范围 |
40-60°(C) , 60-80°(C) , 80-100°(C) , 100-120°(C) |
|
感热筒最高温度 |
Upper set point + 10°(C) |
|
材料 |
阀体 |
铸铁 |
|
阀门 |
磷青铜 |
|
阀座 |
磷青铜 |
|
感热筒 |
铜 (镀镍铬) |

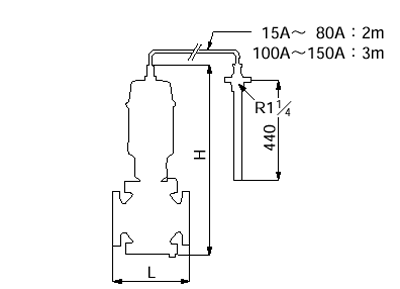
* Max. pressure differs from size. Contact us in detail. * 阀门、阀座、感热筒可提供不锈钢材质。
|
Size |
L (mm) |
H (mm) |
Weight (kg) |
|
15A(1/2) |
126 |
520 |
15 |
|
20A(3/4) |
130 |
520 |
16 |
|
25A(1) |
140 |
540 |
18 |
|
32A(1 1/4) |
150 |
550 |
21 |
|
40A(1 1/2) |
160 |
550 |
23 |
|
50A(2) |
180 |
630 |
29 |
|
65A(2 1/2) |
215 |
660 |
38 |
|
80A(3) |
260 |
680 |
48 |
|
100A(4) |
300 |
750 |
58 |
|
125A(5) |
360 |
815 |
76 |
|
150A(6) |
382 |
960 |
125 |


感谢您访问我们的网站【http://www.kndfm.com】如有任何疑问.您可以致电给我们,我们一定会尽心尽力为您提供优质的服务。 科而进口阀门贸易有限公司www.kefm.net 版权所有,转载请注明, 订货流程:
1、客户采购清单传真至021-57470352或来电咨询021-31007789
2、收到客户采购清单,为客户提供阀门型号选型与报价(价格清单).
3、具体商定:交货期、特殊要求等事宜. |